اختبار التشغيل المتوازي لـ SVG عبر اتصال CAN
   
  
 
 
 
 
  يهدف هذا الاختبار إلى التحقق من أداء واستقرار
  
   عديد
   
    SVG (مولد المتغيرات الثابتة)
   
   الوحدات التي تعمل بالتوازي عبر اتصالات CAN
  
  عند عدم استخدام محولات الطاقة الداخلية. على وجه التحديد، تم اختبار ثماني وحدات SVG لتقييم أدائها، وموثوقية اتصالاتها، وثبات تعويض القدرة التفاعلية في ظل المزامنة القائمة على CAN.
  
  
  
  
  
  
  
 
معيار: DLT1216-2019 المواصفات الفنية لمولدات الجهد المنخفض الساكنة
   
    
     التصوير المقطعي المحوسب الخارجي:
    
    تم تثبيته على جانب مصدر الطاقة، بنسبة 250:5
    
   
  
   
    
     التصوير المقطعي المحوسب الداخلي:
    
    تم التواصل عبر ناقل CAN
    
    
   
  
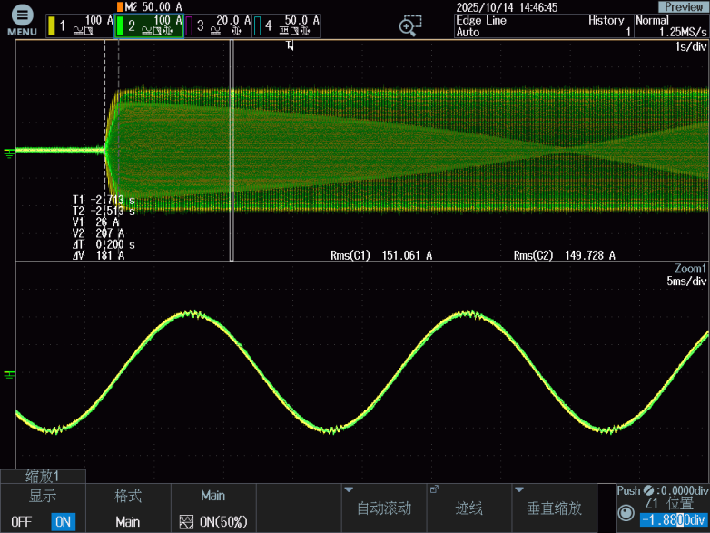
إشارات الذبذبات:
     
      الأصفر: تيار الحمل التوافقي
      
      
     
    
     
      الأخضر: إجمالي تيار الخرج لجميع الوحدات
      
      
     
    
 
  تم استخدام اتصال CAN
  
   المعرفات من 10000001 إلى 10000008
  
  ، تغطي جميع الوحدات الثماني، مع
  
   معدل بود 500 كيلوبت في الثانية
  
  .
  
  
  
  
  
  
 
 
  تم اختبار النظام بتيار تفاعلي يتراوح من
  
   من 0 أمبير إلى +150 أمبير
  
  أظهرت جميع الوحدات انتقالات تعويض سلسة ومتزامنة، مع الحفاظ على التشغيل المستقر دون تذبذب التيار أو تأخير الاتصال.
  
  
  
  
  
  
  
  
  
  
  تم اختبار النظام بتيار تفاعلي يتراوح من
  
   0 أمبير إلى -150 أمبير.
   
  
  
  
  
  
  
  
  
  
  
 
 
  كان إجمالي تيار الحمل أحادي الطور 150 أمبير. وكان الناتج النظري لكل SVG
  
   18.75 أمبير لكل مرحلة
  
  .
 
 
 
  البيانات المقاسة هي كما يلي:
  
  
 
| الوحدة | المرحلة أ (أ) | المرحلة ب (أ) | المرحلة ج (أ) | ملحوظات | 
|---|---|---|---|---|
| 1 | 17.8 | 17.7 | 17.8 | مستقر | 
| 2 | 17.8 | 18.0 | 17.9 | 
     يبلغ تيار خرج الحمل أحادي الطور 150 أمبير، والإخراج النظري أحادي الطور لمولد SVG واحد هو 18.75 أمبير.  | 
  
| 3 | 17.8 | 17.9 | 17.9 | |
| 4 | 17.8 | 17.9 | 19.0 | 
 
  
  ظل أداء تقاسم التيار بين الوحدات متسقًا، مع وجود انحرافات ضمن حدود التسامح المقبولة، مما يؤكد
  
   موازنة الحمل الفعالة
  
  عبر شبكة SVG الموازية.
  
  
  
 
 
  ال
  
   نظام SVG
  
  أثبتت موثوقيتها
  
   التشغيل المتوازي من خلال اتصالات CAN
  
  ، تحقيق التحكم الدقيق في التيار التفاعلي وتقاسم التيار المتوازن بين الوحدات.
  
 
 
 
  تؤكد هذه النتيجة أن التنسيق القائم على CAN يمكن أن يحل محل مزامنة CT الداخلية بشكل فعال لإعدادات SVG متعددة الوحدات، مما يوفر المرونة وقابلية التوسع وتقليل تعقيد الأسلاك في تطبيقات الهندسة العملية.
  
  
 
 
 
  لمزيد من المعلومات، يرجى التواصل مع المهندس ديفيد على الواتساب على الرقم +86 18917353780
 
اشترك معنا للتمتع بأسعار الفعاليات والحصول على أفضل الأسعار .
دعم شبكة IPv6